Schwarzfischer Hydraulik  |  Artikelnummer: 0 - 131138102

Schockventil doppelwirkend zum Aufflanschen auf OMP / OMR Hydraulik Ölmotor VAU

€82,84
inkl. MwSt.


Lieferung und Versand

Ihre Bestellung wird generell so schnell wie möglich von uns bearbeitet.

Je nach Artikelstandort und Artikelmaße arbeiten wir mit verschiedenen Versanddienstleistern. Deswegen können wir leider keine Packstationen und Paketshop´s anliefern.

Rückgabe und Widerrufsrecht

  • Hier finden Sie unsere Rückgaberichtlinien und Widerrufsrecht: Hier klicken
  • Bitte beachten Sie, dass Konfektionsware laut §312g Abs. 2 Nr. 1 BGB vom Widerruf komplett ausgeschlossen sind. (Hierzu zählen z.B. gepresste Hydraulikschläuche, Schnittware, Meterware oder sonstige Artikel, die speziell auf Kundenwunsch gefertigt werden)
  • Hier finden Sie unser Anleitung zum Rückgabeprozess: Hier klicken
  • Bei sonstigen Fragen können Sie uns über unser Kontaktformular gerne kontaktieren: Hier klicken

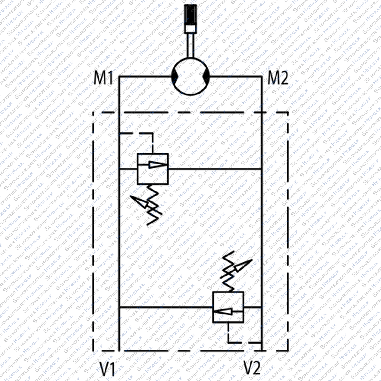
Schockventil doppeltwirkend zum direkten Aufflanschen auf OMP /OMR Motoren

Schockventile werden zur Sekundärabsicherung von Hydrauliksystemen verwendet.

Die in diesem Datenblatt angebotenen Ventile werden unter anderem zur Absicherung von Hydraulikmotoren, Gleichlaufzylindern und Systemen mit gleich großem Hubvolumen eingesetzt.

Sie sichern Hydraulikmotoren gegen Spitzendrücke von externen Kräften ab.

Diese können besonders bei schweren, nachlaufenden Massen, beim plötzlichen Stoppen oder bei direkter Umkehr der Drehrichtung des Motors auftreten.

Ein weiterer Anwendungsfall ist zum Beispiel die Absicherung von Schneepflugzylindern die während des Räumens ständig externen Belastungen ausgesetzt sind.

Wir empfehlen Ihnen die Schockventile so nah wie möglich am Verbraucher zu installieren um ein schnelles Ansprechverhalten zu gewährleisten.

 

Max. 350 bar

Gehäuse: verzinkter Stahl

"
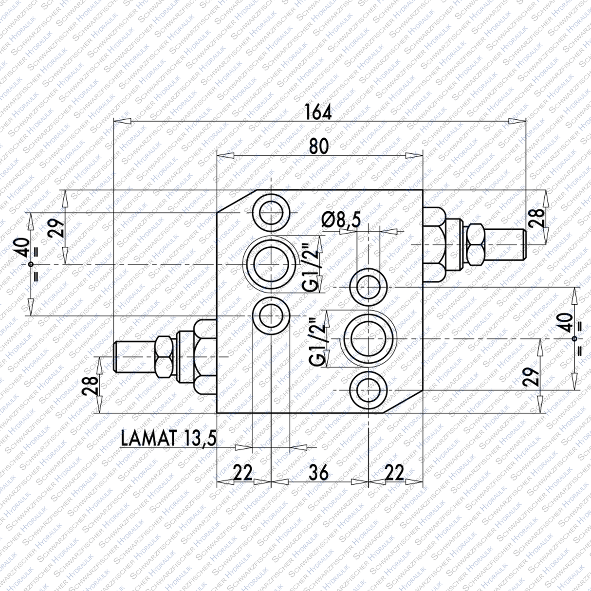
Artikelnummer Anschlussgewinde V1-V2 Ausstattung Einstellbereich bar Bezeichnung max.Durchfluss Lt. / min Gewicht Kg
131138101 1/2“ mit Hutmutter 10-50 VAU12-OMP+OMR-A 12 1,75
131138102 1/2“ mit Hutmutter 10-180 VAU12-OMP+OMR-C 60 1,75
131138103 1/2“ mit Hutmutter 50-250 VAU12-OMP+OMR-D 60 1,75
131138104 1/2“ mit Hutmutter 80-300 VAU12-OMP+OMR-E 60 1,75
"
Schockventil doppelwirkend zum Aufflanschen auf OMP / OMR Hydraulik Ölmotor VAU von Schwarzfischer Hydraulik
Schwarzfischer Hydraulik

Schockventil doppelwirkend zum Aufflanschen auf OMP / OMR Hydraulik Ölmotor VAU

€82,84

Schockventil doppeltwirkend zum direkten Aufflanschen auf OMP /OMR Motoren

Schockventile werden zur Sekundärabsicherung von Hydrauliksystemen verwendet.

Die in diesem Datenblatt angebotenen Ventile werden unter anderem zur Absicherung von Hydraulikmotoren, Gleichlaufzylindern und Systemen mit gleich großem Hubvolumen eingesetzt.

Sie sichern Hydraulikmotoren gegen Spitzendrücke von externen Kräften ab.

Diese können besonders bei schweren, nachlaufenden Massen, beim plötzlichen Stoppen oder bei direkter Umkehr der Drehrichtung des Motors auftreten.

Ein weiterer Anwendungsfall ist zum Beispiel die Absicherung von Schneepflugzylindern die während des Räumens ständig externen Belastungen ausgesetzt sind.

Wir empfehlen Ihnen die Schockventile so nah wie möglich am Verbraucher zu installieren um ein schnelles Ansprechverhalten zu gewährleisten.

 

Max. 350 bar

Gehäuse: verzinkter Stahl

Anschlussgewinde V1-V2

  • 1/2“

Ausstattung

  • mit Hutmutter

Einstellbereich bar

  • 10-50
  • 10-180
  • 50-250
  • 80-300
Produkt anzeigen