Schwarzfischer Hydraulik  |  Artikelnummer: 131173101

Hydraulik Ventil Sperrblock entsperrbares Rückschlagventil doppeltwirkend VBPDE

€49,75
inkl. MwSt.


Lieferung und Versand

Ihre Bestellung wird generell so schnell wie möglich von uns bearbeitet.

Je nach Artikelstandort und Artikelmaße arbeiten wir mit verschiedenen Versanddienstleistern. Deswegen können wir leider keine Packstationen und Paketshop´s anliefern.

Rückgabe und Widerrufsrecht

  • Hier finden Sie unsere Rückgaberichtlinien und Widerrufsrecht: Hier klicken
  • Bitte beachten Sie, dass Konfektionsware laut §312g Abs. 2 Nr. 1 BGB vom Widerruf komplett ausgeschlossen sind. (Hierzu zählen z.B. gepresste Hydraulikschläuche, Schnittware, Meterware oder sonstige Artikel, die speziell auf Kundenwunsch gefertigt werden)
  • Hier finden Sie unser Anleitung zum Rückgabeprozess: Hier klicken
  • Bei sonstigen Fragen können Sie uns über unser Kontaktformular gerne kontaktieren: Hier klicken

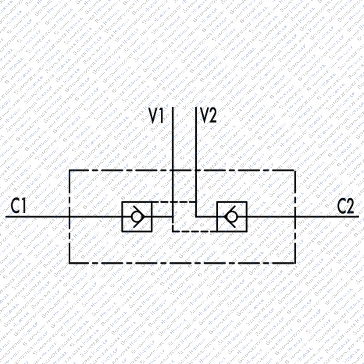
Entsperrbares Rückschlagventil – doppeltwirkend –


Doppeltwirkend entsperrbare Rückschlagventile dienen der leckfreien Absperrung von Zylindern in der jeweiligen Halteposition.

Sie sperren in beiden Richtungen.

Um ein sicheres Schließen des Ventils zu gewährleisten, ist es notwendig, dass die Verbraucheranschlüsse des vorgeschalteten Wegeventils in Mittelstellung zum Tank entlastet sind (siehe Hydraulikschema).

 

max. 350 bar

Gehäuse: verzinkter Stahl

"
Artikelnummer Anschlussgewinde V1 - V2 C1 - C2 Öffnungsdruck bar Aufsteuerverhältnis Bezeichnung max. Durchfluss Lt. / min max. Betriebsdruck bar L mm L1 mm L2 mm L3 mm H mm D mm Gewicht Kg
131173101 G 1/4” 4 1:5,5 VBPDE 1/4” AL 20 350 64 113 32 13 40 30 0,638
131173102 G 3/8” 3 1:5,5 VBPDE 3/8” AL 35 350 80 128 40 16 45 30 0,81
"
Hydraulik Ventil Sperrblock entsperrbares Rückschlagventil doppeltwirkend VBPDE von Schwarzfischer Hydraulik
Schwarzfischer Hydraulik

Hydraulik Ventil Sperrblock entsperrbares Rückschlagventil doppeltwirkend VBPDE

Ab €49,75

Entsperrbares Rückschlagventil – doppeltwirkend –


Doppeltwirkend entsperrbare Rückschlagventile dienen der leckfreien Absperrung von Zylindern in der jeweiligen Halteposition.

Sie sperren in beiden Richtungen.

Um ein sicheres Schließen des Ventils zu gewährleisten, ist es notwendig, dass die Verbraucheranschlüsse des vorgeschalteten Wegeventils in Mittelstellung zum Tank entlastet sind (siehe Hydraulikschema).

 

max. 350 bar

Gehäuse: verzinkter Stahl

Anschlussgewinde V1 - V2 C1 - C2

  • G 1/4”
  • G 3/8”

Öffnungsdruck bar

  • 4
  • 3

Aufsteuerverhältnis

  • 1:5,5
Produkt anzeigen