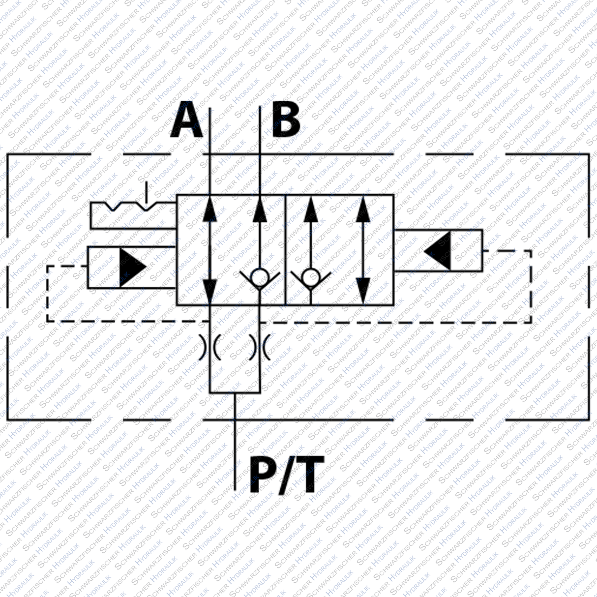
Hydraulik Ventil Spuranreißer Ventil Gassenmarkierungsventil VDFS
Hydraulik Ventil Spuranreißer Ventil Gassenmarkierungsventil VDFS - 3/4“-16UNF Ihre Bestellung ist vorgemerkt – Versand folgt bei Verfügbarkeit.
Lieferung und Versand
Lieferung und Versand
Ihre Bestellung wird generell so schnell wie möglich von uns bearbeitet.
Je nach Artikelstandort und Artikelmaße arbeiten wir mit verschiedenen Versanddienstleistern. Deswegen können wir leider keine Packstationen und Paketshop´s anliefern.
Rückgabe und Widerrufsrecht
Rückgabe und Widerrufsrecht
- Hier finden Sie unsere Rückgaberichtlinien und Widerrufsrecht: Hier klicken
- Bitte beachten Sie, dass Konfektionsware laut §312g Abs. 2 Nr. 1 BGB vom Widerruf komplett ausgeschlossen sind. (Hierzu zählen z.B. gepresste Hydraulikschläuche, Schnittware, Meterware oder sonstige Artikel, die speziell auf Kundenwunsch gefertigt werden)
- Hier finden Sie unser Anleitung zum Rückgabeprozess: Hier klicken
- Bei sonstigen Fragen können Sie uns über unser Kontaktformular gerne kontaktieren: Hier klicken
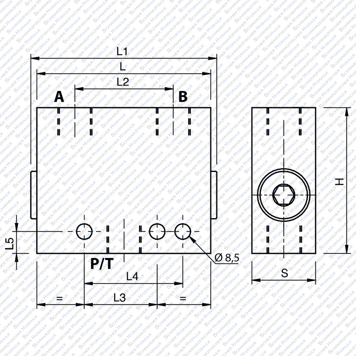
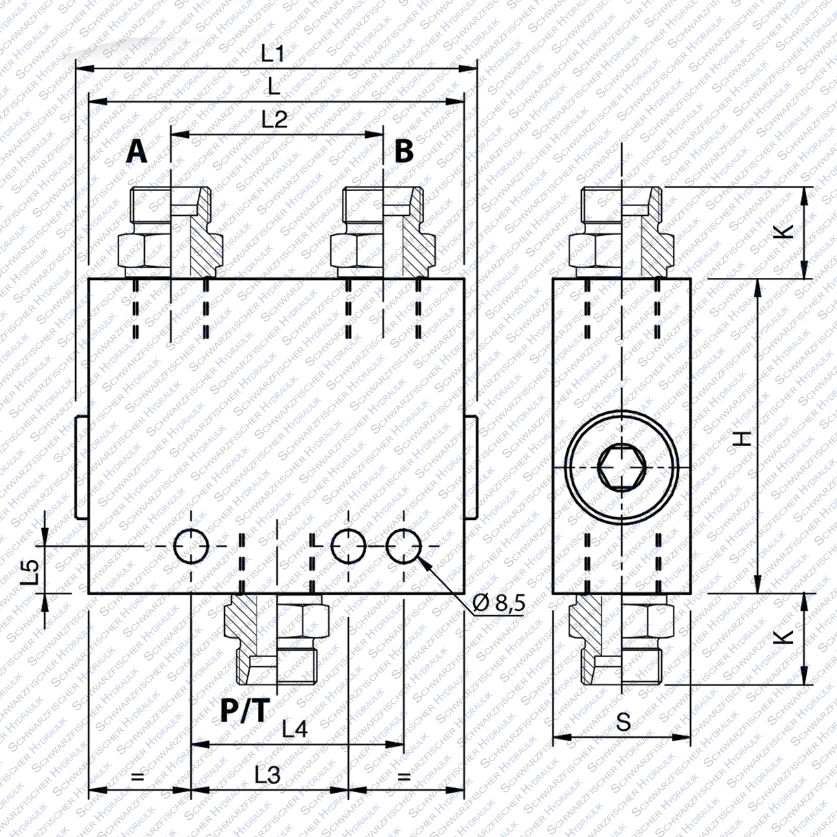
| Artikelnummer | Anschlussgewinde A-B P/T | Bezeichnung | max. Betriebsdruck bar | L mm | L1 mm | L2 mm | L3 mm | L4 mm | L5 mm | H mm | K mm | S mm | Gewicht Kg |
|---|---|---|---|---|---|---|---|---|---|---|---|---|---|
| 131180101 | 3/4“-16UNF | VDFS34“-16UNF | 350 | 94 | 102 | 54 | 40 | 54 | 12 | 80 | - | 35 | 1,83 |
| 131180102 | 10L | VDFS34“-10L | 350 | 94 | 102 | 54 | 40 | 54 | 12 | 80 | 21,8 | 35 | 1,83 |
| 131180103 | 12L | VDFS34“-12L | 350 | 94 | 102 | 54 | 40 | 54 | 12 | 80 | 19,7 | 35 | 1,83 |
| 131180104 | 15L | VDFS34“-15L | 350 | 94 | 102 | 54 | 40 | 54 | 12 | 80 | 21,5 | 35 | 1,83 | "





